Bonjour, mon voyant moteur s'est allumé en redescendant de la sortie auvergne.
J'ai pu rentrer sans souci, mais j'ai un nouveau bruit, comme une prise d'air qui suit le rythme du moteur et s'accentue avec l'accélération, j'ai l'impression que ça vient de dessous la boite à air.
On a resserré tous les boulons accessibles , le voyant c'est éteint, mais le bruit est toujours là.
En accélérant d'un coup au point mort ca fait un "pchit" .
Difficile de décrire le bruit.
Je voudrais donc acheter l'obd2 et une bonne application de diag, qu'est ce qui est le mieux ?
Quelqu'un a t'il déja eu ce bruit ?
Merci pour les pistes .
Prise d'air
Prise d'air
Re: Prise d'air
attention à ne pas confondre le bruit d'amission avec un problème
même avec la boite d'origine, capot ouvert à l'arrêt en accélérant tu l'entends clairement ![]()
- chris67850
- Messages : 752
- Inscription : 19 oct. 2013, 20:13 PM
- Localisation : Alsace Bas-Rhin
Re: Prise d'air
Pour le code défaut tu peut jeter un œil là dessus:
http://www.amazon.fr/s/?ie=UTF8&keyword ... pkld7r1c_b
Sinon y un topic plus détaillé là :
viewtopic.php?f=7&t=15893&hilit=obd2+scan
Bonne chance, y a 19 pages...
Dieu aime les cons, il en met tellement au monde...!
Une journée ou le sang ne coule pas c'est une journée sans soleil..!!
RX-8 192 Brillant Black, decata Toyosport
Membres http://www.mazdamotoringclub.fr/site/
Re: Prise d'air
parkiro a écrit :attention à ne pas confondre le bruit d'amission avec un problème
même avec la boite d'origine, capot ouvert à l'arrêt en accélérant tu l'entends clairement
Oui , c'est sur, mais c'est un nouveau bruit que je n'avais pas avant que le voyant s'allume . On entend très bien le pschit pschit de l'air, mais difficile de le localiser précisément.
Re: Prise d'air
chris67850 a écrit :Pour le code défaut tu peut jeter un œil là dessus:
http://www.amazon.fr/s/?ie=UTF8&keyword ... pkld7r1c_b
Sinon y un topic plus détaillé là :
viewtopic.php?f=7&t=15893&hilit=obd2+scan
Bonne chance, y a 19 pages...
Quequ'un à déja testé ca ?
http://www.amazon.fr/Pixtic-diagnostic- ... rds=obd+ii
Re: Prise d'air
Effectivement un petit diag...juste pour l'info du voyant moteur peu donner une piste...ensuite c'est peut-être la petite durite à droite de la boite à air qui est fuyarde...ou coupé ![]()
- benybendebou
- Messages : 2364
- Inscription : 19 janv. 2011, 10:44 AM
- Localisation : Tournai
- Contact :
Re: Prise d'air
Ça sent comme une petite durite de dépression qui c'est déconnectée...
If Money does not make you happy, buy a sport car
Mazda RX-8 Brillant Black 2004 Perf Pack
Suzuki GSX 1340 B-King - Laser Xtrem 4
Chrysler 300c Touring en daily
- E1K
- Messages : 3326
- Inscription : 22 déc. 2011, 16:34 PM
- Localisation : Saint sever (LANDES), Aramits (Pyrénées Atlantiques)
Re: Prise d'air
sotiz34 a écrit :En accélérant d'un coup au point mort ca fait un "pchit" .
T'inquiètes pas c'est juste la dump valve ![]()
- Franck3340
- Messages : 2777
- Inscription : 02 août 2011, 10:52 AM
- Localisation : Aquitaine
Re: Prise d'air
E1K a écrit :sotiz34 a écrit :En accélérant d'un coup au point mort ca fait un "pchit" .
T'inquiètes pas c'est juste la dump valve
j'allais la faire celle-là ! ![]()
tu n'as pas une vidéo où on l'entend ton bruit ?
" La seule véritable erreur est celle dont on ne retire aucun enseignement." John Powell
Re: Prise d'air
Franck3340 a écrit :E1K a écrit :sotiz34 a écrit :tu n'as pas une vidéo où on l'entend ton bruit ?
Vais essayer d'en faire une je sais pas si on va bien entendre avec le bruit du moteur.
Merci à tous pour vos précieux conseils ![]()
Re: Prise d'air
chris67850 a écrit :Pour le code défaut tu peut jeter un œil là dessus:
http://www.amazon.fr/s/?ie=UTF8&keyword ... pkld7r1c_b
Sinon y un topic plus détaillé là :
viewtopic.php?f=7&t=15893&hilit=obd2+scan
Bonne chance, y a 19 pages...
Merci pour l'info
je vais fouiner ![]()
Re: Prise d'air
Est ce que ca c'est suffisant avec l'appli Torque ?
- evilspoon
- Messages : 16466
- Inscription : 06 nov. 2006, 18:48 PM
- Localisation : Clermont-Ferrand
- Contact :
Re: Prise d'air
Oui, commence par une merde à 5€, avant celle à 50 ![]()
C'est con que cela n'est pas merdé là bas, des dongles OBD et Torque y'en avait dans 7 bagnoles ![]()
Re: Prise d'air
evilspoon a écrit :Oui, commence par une merde à 5€, avant celle à 50
C'est con que cela n'est pas merdé là bas, des dongles OBD et Torque y'en avait dans 7 bagnoles
Pas grave, fallait bien que je l'achète
ca coule de source avec une 8.
Trop top tes photos, vraiment superbes, j'attends les videos avec impatience.
T'excuses pas de pas m'avoir assez parlé, tu pouvais pas tout faire, tu as immortalisé tous les moments avec photos et videos, on peut pas être partout.
Et puis la nouvelle recrue c'est moi, la petite nouvelle du groupe.
Pas beaucoup de filles en 8 , c'est dommage, c'est un tel bonheur cette voiture, quand on pense que peut être un jour faudra passer à une autre ca parait irréaliste,on a du mal a s'imaginer en conduire une autre, plus on la conduit, plus on l'aime, malgré ses "pannes " " galères" " pleins d"essence" c'est un pur bonheur ![]()
- E1K
- Messages : 3326
- Inscription : 22 déc. 2011, 16:34 PM
- Localisation : Saint sever (LANDES), Aramits (Pyrénées Atlantiques)
Re: Prise d'air
Evilspoon tu as mis des néon kéké tuninge sur ta voiture ??? ![]()
Re: Prise d'air
Obd acheté, il n'y a plus qu'a attendre de le recevoir, et telecharger torque pro.
En attendant , on va essayer de vérifier les durites sous l'admission d'air car le bruit vient de la.
Re: Prise d'air
Une petite video, le bruit vient de dessous de la conduite d'admission d'air.
http://www.dailymotion.com/video/x1z87k ... r-rx8_auto
Si quelqu'un à une idée?
- benybendebou
- Messages : 2364
- Inscription : 19 janv. 2011, 10:44 AM
- Localisation : Tournai
- Contact :
Re: Prise d'air
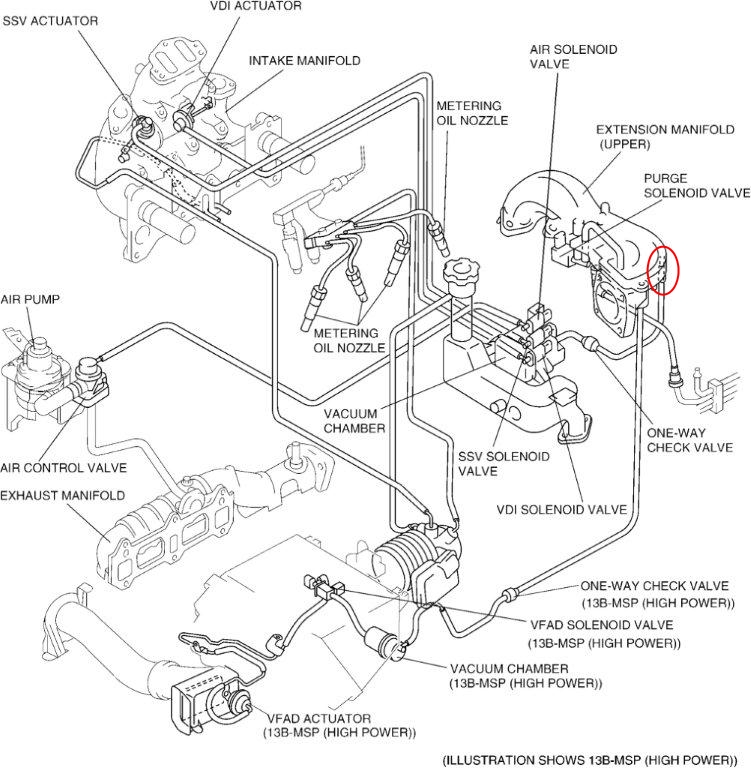
J'ai déjà eu une durite débranchée la dessous. Passe ta main partout tu devrais sentir d'ou ca aspire ![]()
Perso c'est celle ci qui étais déconnectée, et en passant la main on sentait un flux d'air
If Money does not make you happy, buy a sport car
Mazda RX-8 Brillant Black 2004 Perf Pack
Suzuki GSX 1340 B-King - Laser Xtrem 4
Chrysler 300c Touring en daily
Re: Prise d'air
benybendebou a écrit :J'ai déjà eu une durite débranchée la dessous. Passe ta main partout tu devrais sentir d'ou ca aspire
Perso c'est celle ci qui étais déconnectée, et en passant la main on sentait un flux d'air
Merci pour l'info , on a regardé elle est bien branchée pas de prise d'air de ce coté.
Pas non plus de prise d'air sous la boite a air. Toutes les durites ont l'air bien branchées et en bon état.
Peut être les électro vannes, en plus elle commence à tourner comme une patate, on entend a la sortie du pot qu'elle tourne pas rond.
